- HOME
- 施工事例一覧
- 減改築リフォーム事例一覧
- 金沢市 N様 減改築リフォーム
金沢市 N様 減改築リフォーム
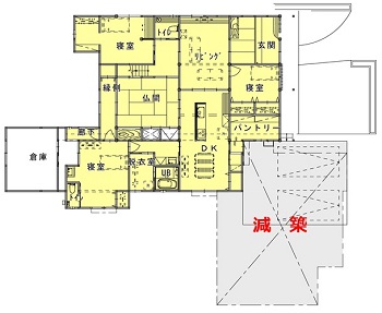
減築で活かす金澤町屋


リフォーム前![]() |
リフォーム後![]() |
リフォーム前のお施主様の悩み・ご要望
●段差が多く、危険。バリアフリーの住まいにしたい。
●とても寒い
●建物が古いので、耐震面が心配。

外観
リフォーム前![]() |
リフォーム後![]() 伝統工法と在来工法が入り混じった建物を減築し、趣はそのままに性能をUPしました。 |
キッチン
リフォーム前![]() |
リフォーム後![]() カラフルなタイルを施し、おしゃれなキッチンに。 ![]() ダイニングテーブルがキッチンの横にある並列型キッチンで、配膳がラクラク。 |
解決方法・工夫点
●在来工法部分を減築し、お家を揺らして地震に耐える伝統工法で安心・安全な住まいになりました。
●できるだけ段差をなくし、ご高齢のお父様も過ごしやすい空間になりました。
お施主様の感想
生活スタイルの変化
●リフォームをして生活空間が暖かく、快適になりました。
●90代のご高齢のお父様も段差のないバリアフリーなお家で安心して暮らせるようになりました。
リモデルしてスマイルになったこと
●減築という大胆な提案に驚きましたが、要望も叶い、貴重な金澤町屋も守れて満足です。
●金澤町屋らしい美しい吹き抜けを活かしたリビングは、減築したことによって光と風が入る気持ちの良い空間になりました。





























